Darlington Transistor

Darlington Transistor


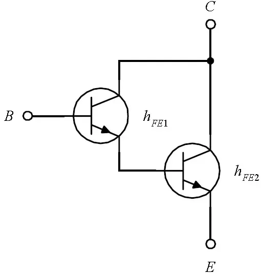
A Darlington transistor is a type of transistor configuration that is used to amplify current. It is made up of two bipolar transistors that are connected in such a way that the current amplified by the first transistor is then amplified again by the second transistor.

The Darlington configuration is also known as a Darlington pair, and it is commonly used in applications that require high current gain. The advantages of using a Darlington transistor include high current gain, low saturation voltage, and high input impedance.

One important consideration when using a Darlington transistor is the increased base-emitter voltage drop. Since two transistors are connected in series, the voltage drop across each base-emitter junction adds up, which can limit the maximum voltage that can be applied to the circuit.

Overall, the Darlington configuration is a useful tool for amplifying current in a variety of applications, including motor control, power supplies, and audio amplifiers.

Here is a video in our channel which explains about the Darlington Transistor.

Post a Comment

0 Comments